SMA
SMA
SMA-KFD(4) 更多产品
- · TNC/SMA
- · N/SMA
- · SMA-KKY
- · SMA-KKF
- · SMA-JKF
- · SMA-JKW
- · SMA-KK
- · SMA-JK
- · SMA(M)
- · SMA-KWHD
- · SMA-KHD
- · SMA-JWHD
- · SMA-JHD
- · SMA-KYD
- · SMA-KWFD
- · SMA-KFD(8)
- · SMA-KFD(7)
- · SMA-KFD(6)
- · SMA-KFD(5)
- · SMA-KFD(4)
- · SMA-KFD(3)
- · SMA-KFD(2)
- · SMA-KFD(1)
- · SMA-JWFD
- · SMA-JFD
- · SMA-KY
- · SMA-KF
- · SMA-K
- · SMA-JW
- · SMA-J
主要技术特性
| 电气性能 | 材料及机械性能 | |||||
|---|---|---|---|---|---|---|
| 特性阻抗 | 50Ω | 内导体 | 插针 | 黄铜 | 镀金 | |
| 频率范围 | DC~18GHz | 插孔 | 铍青铜 | 镀金 | ||
| 额定电压 | 335V rms | 壳体及其他金属件 | 黄铜/不锈钢 | 镀金/钝化 | ||
| 介质耐压 | 1000V rms | 弹性件 | 铍青铜 | 镀金 | ||
| 电压驻波比 | ≤1.05+0.1f(GHz) | 绝缘介质 | PTFE或LCP | |||
| ≤1.05+0.08f(GHz) | 配半柔、半刚电缆中心 | 密封圈 | 硅橡胶 | |||
| 接触电阻 | ≤3mΩ | 中心接触件 | 温度范围 | -65℃ ~+165℃ | ||
| ≤2mΩ | 外接触件 | 耐久性 | 500次 | |||
| 绝缘电阻 | ≥5000MΩ | |||||
| 插入损耗 | ≤0.06√f(GHz)dB | |||||
具体型号
![]() |
![]() |
| 产品型号 | 适配电缆 | 备注 |
|---|---|---|
| SMA-KFD65 |
![]() |
![]() |
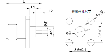
| 产品型号 | L1 | L2 | L | d1 | d2 | D |
|---|---|---|---|---|---|---|
| SMA-KFD68B | 3.2 | 2.5 | 15.2 | 0.7 | 2.1 | 2.2 |
| SMA-KFD83 | 2.4 | 2.4 | 14.5 | 1.3 | 4.1 | 4.2 |
| SMA-KFD85 | 13.0 | 5.0 | 27.5 | 1.3 | 4.1 | 4.2 |
![]() |
![]() |
| 产品型号 | L1 | L2 | t |
|---|---|---|---|
| SMA-KFD69 | 2.5 | 3.0 | 0.62 |
| SMA-KFD73 | 4.0 | 1.6 | 0.55 |
![]() |
![]() |
| 产品型号 | d | 适配插针 | D |
|---|---|---|---|
| SMA-KFD71 | 0.6 | 0.47~0.5 | * |
| SMA-KFD72 | 0.4 | 0.30~0.35 | * |
| SMA-KFD72G | 0.4 | 0.30~0.35 | * |
| SMA-KFD75 | 0.6 | 0.47~0.50 | * |
![]() |
![]() |
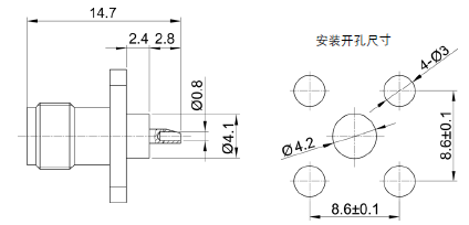
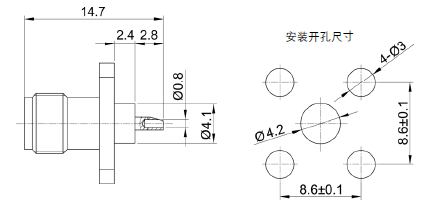
| 产品型号 | L1 | L2 | L | d | D |
|---|---|---|---|---|---|
| SMA-KFD76 | 3.0 | 1.5 | 14.0 | 0.7 | 6.1 |
| SMA-KFD76AG | 3.0 | 1.5 | 14.0 | 0.7 | 6.2 |
| SMA-KFD95 | 4.0 | 1.5 | 15.1 | 0.8 | 6.1 |
| SMA-KFD2.5 | 2.5 | 2.5 | 14.5 | 1.3 | 4.2 |
![]() |
![]() |
| 产品型号 | L1 | L | d |
|---|---|---|---|
| SMA-KFD78 | 1.5 | 11.0 | 0.7 |
| SMA-KFD88 | 1.5 | 14.1 | 0.5 |
![]() |
![]() |
| 产品型号 | d | D |
|---|---|---|
| SMA-KFD75AG | 0.6 | * |
| SMA-KFD191 | 0.8 | * |
![]() |
![]() |
| 产品型号 | 适配电缆 | 备注 |
|---|---|---|
| SMA-KFD80 | |
![]() |
![]() |
| 产品型号 | L1 | L2 | L |
|---|---|---|---|
| SMA-KFD84 | 3.0 | 3.0 | 15.5 |
| SMA-KFD84G | 3.0 | 3.0 | 15.5 |
| SMA-KFD102 | 5.0 | 3.0 | 17.6 |
![]() |
![]() |
| 产品型号 | 适配电缆 | 备注 |
|---|---|---|
| SMA-KFD86 | |
![]() |
![]() |
| 产品型号 | L1 | L |
|---|---|---|
| SMA-KFD87 | 3.0 | 15.0 |
| SMA-KFD256 | 3.2 | 15.3 |
![]() |
![]() |
| 产品型号 | 适配电缆 | 备注 |
|---|---|---|
| SMA-KFD90 |































