SMA
SMA
SMA-KY 更多产品
- · TNC/SMA
- · N/SMA
- · SMA-KKY
- · SMA-KKF
- · SMA-JKF
- · SMA-JKW
- · SMA-KK
- · SMA-JK
- · SMA(M)
- · SMA-KWHD
- · SMA-KHD
- · SMA-JWHD
- · SMA-JHD
- · SMA-KYD
- · SMA-KWFD
- · SMA-KFD(8)
- · SMA-KFD(7)
- · SMA-KFD(6)
- · SMA-KFD(5)
- · SMA-KFD(4)
- · SMA-KFD(3)
- · SMA-KFD(2)
- · SMA-KFD(1)
- · SMA-JWFD
- · SMA-JFD
- · SMA-KY
- · SMA-KF
- · SMA-K
- · SMA-JW
- · SMA-J
主要技术特性
| 电气性能 | 材料及机械性能 | |||||
|---|---|---|---|---|---|---|
| 特性阻抗 | 50Ω | 内导体 | 插针 | 黄铜 | 镀金 | |
| 频率范围 | DC~18GHz | 插孔 | 铍青铜 | 镀金 | ||
| 额定电压 | 335V rms | 壳体及其他金属件 | 黄铜/不锈钢 | 镀金/钝化 | ||
| 介质耐压 | 1000V rms | 弹性件 | 铍青铜 | 镀金 | ||
| 电压驻波比 | ≤1.05+0.1f(GHz) | 绝缘介质 | PTFE或LCP | |||
| ≤1.05+0.08f(GHz) | 配半柔、半刚电缆中心 | 密封圈 | 硅橡胶 | |||
| 接触电阻 | ≤3mΩ | 中心接触件 | 温度范围 | -65℃ ~+165℃ | ||
| ≤2mΩ | 外接触件 | 耐久性 | 500次 | |||
| 绝缘电阻 | ≥5000MΩ | |||||
| 插入损耗 | ≤0.06√f(GHz)dB | |||||
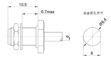
具体型号
![]() |
![]() |
| 产品型号 | 适配电缆 | 备注 |
|---|---|---|
| SMA-KY201 | SFT-50-2-51 | |
| SMA-KY302 | SFT-50-3-51 |
![]() |
![]() |
| 产品型号 | 适配电缆 | 备注 |
|---|---|---|
| SMA-KY202Y | SFF-50-2-51 | 压接 |
| SMA-KY303Y | SFF-50-3-51 | 压接 |











