SAA
SAA
SAA-KWYHD 更多产品
主要技术特性
| 电气性能 | 材料及机械性能 | |||||
|---|---|---|---|---|---|---|
| 特性阻抗 | 50Ω | 内导体 | 插针 | 锡青铜 | 镀金 | |
| 频率范围 | 0~4.8GHz | 插孔 | 铍青铜 | 镀金 | ||
| 额定电压 | 250V rms | 壳体及其他金属件 | 黄铜/不锈钢 | 镀金/钝化 | ||
| 介质耐压 | 750V rms | 弹性件 | 铍青铜 | 镀金 | ||
| 电压驻波比 | ≤1.25 | 直式 | 绝缘介质 | PTPE | ||
| ≤1.40 | 弯式 | 密封圈 | 硅橡胶 | |||
| 接触电阻 | ≤10mΩ | 中心接触件 | 温度范围 | -65℃ ~+165℃ | ||
| ≤6.0mΩ | 外接触件 | 耐久性 | 500次 | |||
| 绝缘电阻 | ≥1000MΩ | |||||
| 插入损耗 | ≤0.06√f(GHz)dB | |||||
具体型号
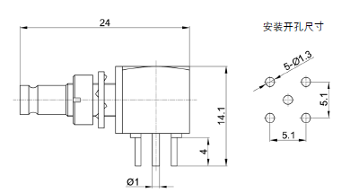
![]() |
![]() |
| 产品型号 | 适配电缆 | 备注 |
|---|---|---|
| SAA-KWYHD |
![]() |
![]() |
| 产品型号 | 适配电缆 | 备注 |
|---|---|---|
| SAA-KWYHD1 | |











